Acs 600 Wiring Diagram
On the motor cable strip the sheathing back far enough to expose the copper wire shield so that the shield can. Open the appropriate knockouts in the gland box.

Diagram 2jz Ecu Wiring Diagram Full Version Hd Quality Wiring Diagram Soadiagram Segretariatosocialelatina It
What This Manual Contains Chapter 2 gives instructions for building the cabinet eg.

Acs 600 wiring diagram. For ACS 600 MultiDrive Modules components. Home Uncategorized Abb Ai810 Wiring Diagram. Device Manual Altec Lansing computer speakers I have lost myAltec Lansing Technologies Inc.
Diagram Mini Split Wiring Full Version Hd Quality Ahadiagram Bellobuonoevicino It. Exercise appropriate care when working with the unit. The ACS 600 CraneDrive is equipped with a special application program that includes advanced functions for a standard crane system.
5 Axis Cnc Breakout Board Wiring Diagram have some pictures that related each other. Get free help tips support from top experts on acs wiring diagram related issues. There can be dangerous voltages inside the ACx 600 from external control circuits when the ACx 600 input power is shut off.
Wiring Recommendations Signal Belden or Equivalent AWG Twisted Pair Conductor Shielded. Standard Wiring Diagram For Trailer Plugs. Max Length RS-485 Comm two wire 9841 24 Yes Yes 4000 ft Power 22 gauge 5504FE 22 Yes Yes 600 ft Power 18 gauge 6300FE 18 Yes Yes 1500 ft RJ45-Ethernet NA Cat5 Yes Yes 1500 ft CAN Bus NA Cat 5 Yes Yes 1500 ft.
Abb Acs 600 Wiring Diagram. The same advanced motor control and hardware solutions are used. There can be dangerous voltages inside the ACS 600 from external control circuits when the ACS 600 mains power is shut off.
READ 2004 ford F250 Radio Wiring Diagram Collection. Warrants to the end user that all of its computer speaker systems are free from defects in material and Heed Warning All warnings on the appliance and in the. Wiring Recommendations Signal Belden or Equivalent AWG Twisted Pair Conductor Shielded.
Torque memory power optimisation limit switch supervision. Altec Lansing Diagrams Schematics and Service Manuals - download for free. 605alit new 639lit new 1567lit new 1569lit1 new 1570b 03 new 1570b 04 new a340a new al260a new al323c new al436c new al1564a new al1567a new al1568a new al1569a new al1570b new alta333a new altec 1520 new altec 1567a new altec 1568a new altec 1569a new altec 1570b new.
The ACS 600 motor cable terminals are at a dangerously high voltage when mains power is applied regardless of motor operation. Do not operate the product with unknown or unsuitable settings or data. Install the wiring Wiring power 1.
Abb acs600 drive plcs net acs 604 acc 607 600 multidrive modules installation manuals manualslib acs604 601 converter module pfc application program 6 x acs350 general machinery drives acs150 component control hardware manual acp. Fieldbus 100 user s input manual pdf mitsubishi a500 full output supplier 21 resolver interface fen 6 0 3 catalog acs 600 catalogue manualzz diagrams schematic ncs165 sensors voltage installation setup ai815 ain200 bailey infi 90 3bse038415r1 abbplc com. Abb Acs 600 Wiring Diagram.
Chapter 3 includes control wiring examples and instructions. The ACx 600 motor cable terminals are at a dangerously high voltage when power is applied regardless of motor operation. Find out the newest pictures of 5 Axis Cnc Breakout Board Wiring Diagram here and also you can get the picture here simply.
ACS 2000 4kV medium voltage drive G775 and USG775 Program Description Power and productivity for a better world Tuition Fee G775 - 1780 per student USG775 - 600 per student G775 and USG775 Operation and Maintenance Training This program will cover safe working practices preventative maintenance and basic troubleshooting. The brake control terminals UDC UDC- R and R- terminals carry a dangerous DC voltage over 500V. ACS 600 CraneDrive ACC 600 ACS 600 CraneDrive belongs to the ACS 600 product family.
Abb vfd wiring diagram Vfd Connection Diagram with Motor Abb Acs 500 Manual Wiring Diagrams Wiring Diagram Schemes. Ge Zoneline Wiring Diagram Suzuki Gsx R 600 Schematic Ace Pas Sayange Jeanjaures37 Fr. Install the cable clamps for the powermotor cables.
Ge Az45e09dab 9 700 Btu Packaged Terminal Air Conditioner With Electric Heat 11 8 Eer 2 Pints Per Hour Dehumidification Capacity R410a Refrigerant And 230 208 Volt. Abb Ai810 Wiring Diagram. Electric wiring diagrams for all at volovets info and of course what we provide is the most best of images for abb acs 600 wiring diagram if you like images on our website please do not hesitate to visit again and get inspiration about wiring.
ACS550 Users Manual ACS550-01 Drives 075160 kW ACS550-U1 Drives 1200 hp. Wiring Diagram Pictures Detail. Cooling EMC compliance and for installing the components.
Electric stove wiring diagram oven for a plug askmediy diagrams royal series hotpoint range frigidaire pdf westinghouse cc 774 circuit kenmore 790461233 timer. Failure to follow these instructions can result in death serious injury or equipment damage. Carefully install the wiring in accordance with the EMC requirements.
Perform a comprehensive commissioning test. Appendix A contains basic circuit diagrams for ACS 600 MultiDrive Modules components. April 21 2021 1.
Max Length RS-485 Comm two wire 9841 24 Yes Yes 4000 ft Power 22 gauge 5504FE 22 Yes Yes 600 ft Power 18 gauge 6300FE 18 Yes Yes 1500 ft RJ45-Ethernet CAN Bus NA Cat5 Yes Yes 1500 ft. Abb Acs600 Drive Plcs Net Interactive Q A. On the input power cable strip the sheathing back far enough to route individual wires.
5 Axis Cnc Breakout Board Wiring Diagram picture put up and uploaded by Admin that kept in our collection.
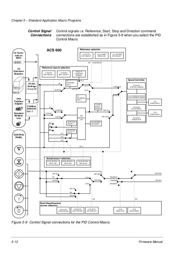
Tech Catalog Vsd Acs600 Manual En 600stdprg Fwmanual Power Inverter Electronic Engineering

Acs600 Firmware Manual Pump And Fan Control Pfc Application Program 5 X For Acs 600 Frequency Converters Publication 3aua489002b6146 R0225 Manualzz
Tech Catalog Vsd Acs600 Manual En 600stdprg Fwmanual Power Inverter Electronic Engineering

Tb6600 Wiring Diagram Complete Wiring Schemas In 2021

Abb Acs 604 Acc 607 Acc 604 Acs 600 Series Acs 607 Acp 607 Acp 604 User Manual Manualzz

Abb Acs600 Manual Northern Industrial

Unusual Cbr 600 Wiring Diagram Charger Photos Electrical Circuit Best Of F4 In Cbr 600 F4 Wiring Diagram Cbr 600 Cbr Wiring Diagram

Abb Acs350 General Machinery Drives Control Connections

Download 1996 Toyota Corolla Wiring Diagram Pdf Toyota Corolla Wiring Diagram Diagram
Abb Acs600 Drive Plcs Net Interactive Q A

Chinese 125cc Engine Wiring Diagram And Lifan Engine Wiring Diagram Wiring Library Motorcycle Wiring Electrical Wiring Diagram Electrical Diagram

Bajaj Pulsar 150 Electrical Wiring Diagram And Wrg Bajaj Pulsar Wiring Diagram In 2021 Wiring Diagram Electrical Wiring Diagram Electrical Diagram

Engine Wiring Diagram Peugeot 5 Malaysia
Gh Electrical Wiring Diagram Power Engineering Power Physics




